Air Ultrasonic Transducer - Matching Layer Type
080SR365
Specification
|
Acoustic Performance
|
Test Circuit |
Dimensions
|
Download
|
Back
|
Home
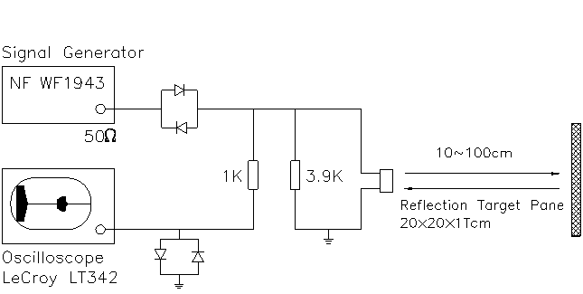
Test Circuit
Echo Sensitivity Ringing Test
Specification
|
Acoustic Performance
|
Test Circuit |
Dimensions
|
Download
|
Back
|
Home